Usando Mapas de Karnaugh.
A seguinte tabela relaciona código de entrada (BCD) e correspondente caractere à ser formado:
| 0 | 1 | 2 | 3 | 4 | 5 | 6 | 7 | 8 | 9 |
|---|---|---|---|---|---|---|---|---|---|
![]() | ![]() | ![]() | ![]() | ![]() | ![]() | ![]() | ![]() | ![]() | ![]() |
Lembrando segmentos e pinagem do display:

Tabela verdade do contador:
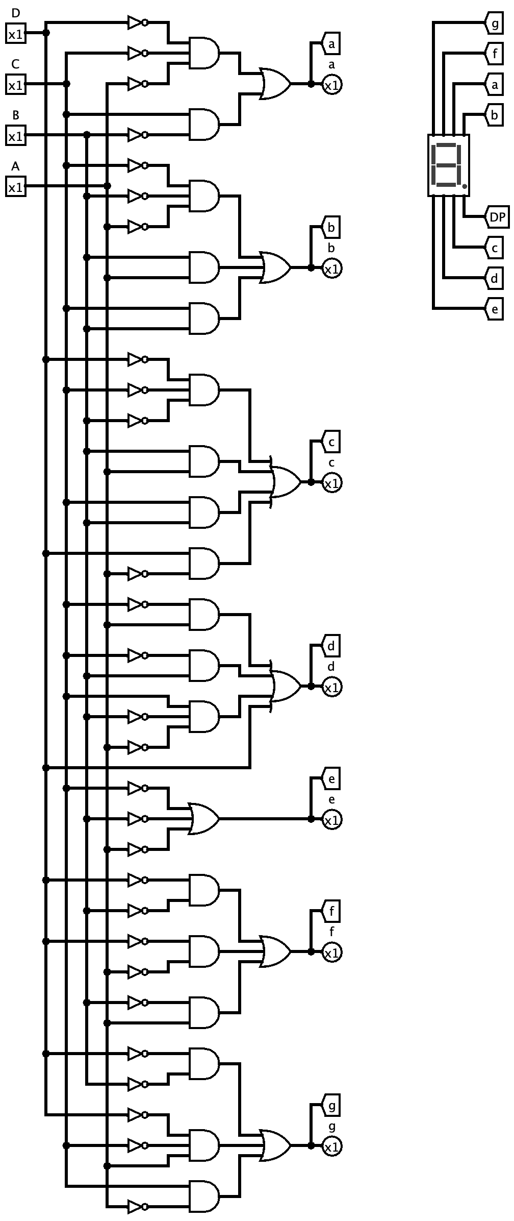
Ref | DBCA | char | a b c d e f g----+------+------+--------------- 0 | 0000 | A | 1 1 1 0 1 1 1 1 | 0001 | b | 0 0 1 1 1 1 1 2 | 0010 | C | 1 0 0 1 1 1 0 3 | 0011 | d | 0 1 1 1 1 0 1 4 | 0100 | E | 1 0 0 1 1 1 1 5 | 0101 | F | 1 0 0 0 1 1 1 6 | 0110 | H | 0 1 1 0 1 1 1 7 | 0111 | I | 0 1 1 0 0 0 0 8 | 1000 | J | 0 1 1 1 1 0 0 9 | 1001 | L | 0 0 0 1 1 1 0 10 | 1010 | | X X X X X X X 11 | 1011 | | X X X X X X X 12 | 1100 | | X X X X X X X 13 | 1101 | | X X X X X X X 14 | 1110 | | X X X X X X X 15 | 1111 | | X X X X X X XNo LogiSim:
Mapas de Karnaugh::
| a | b | c | d |
|---|---|---|---|
![]() | ![]() | ![]() | ![]() |
| e | f | g | |
![]() | ![]() | ![]() |
Expressões (LogiSim -- "Backup"):
xxxxxxxxxxa = ~D ~C ~A + C ~Bb = ~C ~B ~A + B A + C Bc = ~D ~C ~B + B A + C B + D ~Ad = ~C A + ~C B + C ~B ~A + De = ~C + ~B + ~Af = ~D ~B + ~D ~A + ~B Ag = ~D ~B + ~D ~C A + C ~A
1a-versão do Circuito: LogiSim: DEC_Display_2021_2.circ (download linked file as...)

Circuito: 2a-versão, mais otimizada:
Simulando DCBA = 8:

Simulando DCBA :

Atenção: O LogiSim pode ser útil para encontrar rapidamente uma solução, porém ele não otimiza o circuito gerado. Note os seguintes pontos:
Lista de Material:
Fernando Passold, em 27/09/2021